PEERLESS BY TYMPHANY SLS-P830667
Kód: SLS-P830667
PŘES 3000 REPRODUKTORŮ
nabídka více jak 3000 kusů značkových reproduktorů

13 LET ZKUŠENOSTÍ
využijte našich 13 letých zkušeností

POUZE KVALITNÍ ZNAČKY
nabídka výhradně kvalitních produktů zvučných značek

NAD 5000 KČ DOPRAVA ZDARMA
při nákupu nad 5000 Kč máte dopravu zdarma
Související produkty
Detailní popis produktu
Velikost 8" | 8 Ω | 110 W RMS | 87 dB | 37 - 2000 Hz
Středobasový značkový reproduktor PEERLESS BY TYMPHANY s RMS výkonem 110 Wattů a impedancí 8 Ohmů je vhodný pro domácí hi-fi systémy.
Vzhledem ke svému QTS parametru 0,66 je reproduktor vhodný k použití do uzavřeného reproboxu.
STŘEDOBASOVÝ REPRODUKTOR PEERLESS BY TYMPHANY SLS-P830667
Řada SLS kombinuje vysoce kvalitní výkon s cenově dostupným designem. Tento 8" měnič řady SLS s impedancí 8 ohmů je vybaven pevným ocelovým košem, papírovou membránou, feritovým magnetem a velmi nízkým zkreslením.
- Ocelový koš s efektivním odvětráváním
- Skvělý výkon 110 Watt RMS
- Papírová membrána
- Nízká rezonanční frekvence
- Slušná citlivost reproduktoru
- Velmi nízké zkreslení
- Vysoká kvalita při vysokém výkonu
VHODNÝ REPROBOX PODLE T/S PARAMETRŮ
Jak vybrat reproduktory podle parametrů
Zobrazit článekVybíráme náhradní reproduktor za původní
Zobrazit článekVyrobíme reproboxy dle Vašeho zadání
Spočítat cenu
Doplňkové parametry
| Kategorie: | Basové a středobasové reproduktory |
|---|---|
| Hmotnost: | 1.32 kg |
| Typ reproduktoru: | Středobasový |
| Reproduktor vhodný do: | Domácí hifi |
| ? Impedance měniče (Ohm): | 8 |
| ? Velikost membrány ("): | 8" |
| ? Výkon RMS (Watt): | 110 |
| ? Výkon MAX (Watt): | 220 |
| ? Citlivost reproduktoru (dB): | 87 |
| ? Frekvenční rozsah od (Hz): | 37 |
| ? Frekvenční rozsah do (Hz): | 2000 |
| ? Materiál membrány: | Papír |
| ? Modelová řada reproduktoru: | SLS |
| ? Hodnota Re (Ohm): | 5.5 |
| ? Hodnota Fs (Hz): | 42 |
| ? Hodnota QES: | 0.75 |
| ? Hodnota QTS: | 0.66 |
| ? Hodnota QMS: | 5.7 |
| ? Hodnota MMS: | 34.799999999999997 |
| ? Hodnota VAS (l): | 26.34 |
| ? Výchylka Xmax (+- mm): | 8 |
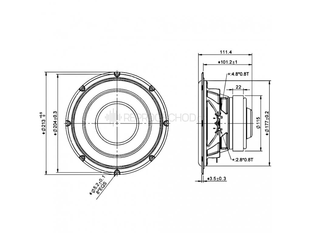
| ? Vnější rozměr (mm): | 213 |
| ? Montážní rozměr (mm): | 177 |
| ? Hloubka (mm): | 102 |
| ? Hloubka zafrézování (mm): | 3.5 |
Buďte první, kdo napíše příspěvek k této položce.
Přidat hodnocení

